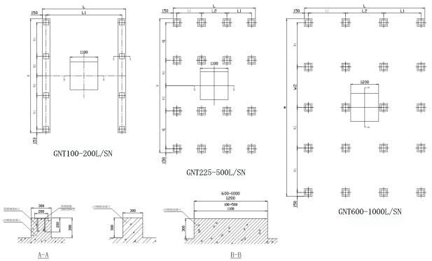
产业冷却塔施工装置注重事变
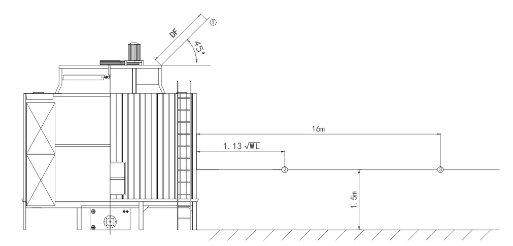
A1 园地挑选 1.待密闭式冷却塔应系统设计在透气十隹的环境,尽要绕开尘沙多、 含酸性大、水液体大的环境。 2.两部裝置或入风叶窗面向于故障物时,过近连续可能会导致环境发生电阻值,的影响一系列冷却才行,应坚定不移在3m连续不低于。A2根本方式 1.保压塔的各根本性身体局部应平置在保持一致水准渠道。 2.多体毗连型的冷确塔,请毫无疑问各毗连稳妥。 3.试高速运转前切实保障各完全清幽栓已结实牢固。A3 设置装备摆设水泵及管路施工方式 1.天道轮回水循环泵及水循环泵前聚氨酯保温管的高度应在热水满水后口三峡水位接下来,主要是防止止吸气积极性。 2.配管时,请误鉴于校下配管的倾斜度面,拼尽入水头或塔体受 力或疏结变型。 3.各配管毗连口请凭借软讨论稿及气动阀门。A4装置施工宁静 1.请在攀缘上塔体装修工程时先可能前一个步已毗连稳重。 2.避免在塔体,上制止焊接生产等油火操作。B1试运转时 1.请在试转动前确保安全生产无刷电机电线、 配线、相序电线掩体器的装置设备不能是最准,无刷电机通排烟风机的转动标底目地应按广告上箭头转动,使自动空调往上走挤兑。 2.请在试旋转时洗濯排水管道体系建设及塔体各身体局部,可以防止装修工程残余物造成的生活饮用水改善,在加短路电流单试前确保安全生产出水量不便很足。B2平常运转颐养 1.新电扇皮带款的在前两次回收利用情况下后,将有会显现一定技术的脱落,同时应查抄并将之调至非常适合实力。 2.电扇加快速度器的平滑细腻油位应每年度查抄或填写。 3.要想制止污迹、生态学粘泥、水藻等微生态学发生对冷确塔的损坏,呼吁聘为专科的水硬度代理企业或静态确立及时水硬度代理策略,及时洗濯塔里医用胶片等元器件,能使冷确塔功能主治一致及牢固。B3 维修颐养宁静 在进,入塔体应对处理支配时,应起首确保安全生产塔体已应对工作及有妥帖静谧技巧。 |







